Pengertian bongkar mesin,turun mesin dan belah mesin :
1. Bongkar Mesin
Bongkar mesin adalah perbaikan motor yang tidak memerlukan
turunnya mesin dari motor. Pengerjaan Bongkar Mesin meliputi pelepasan silinder
dan kepala silinder, pelepasan magnet pada bak mesin sebelah kiri, pelepasan
komponen kopling dan sistem pompa oli. Pengerjaannya meluputi pembersihan kerak
pada ruang bakar, pembersihan sistem aliran bahan bakar dan pelumasan, kerak
oli yang berada di dinding mesin juga kena jurus bersih-bersih.
2. Turun Mesin
Sekarang Turun Mesin, sesuai dengan namanya Turun Mesin
mewajibkan mesin turun dari dekapan rangka motor. Dan penerjaan itu tidak dapat
dilakukan jika mesin masih menempel di rangka motor. Umumnya turun mesin di
lakukan karena ada pengerjaan pada bagian tengah mesin, seperti perbaikan pada
kruk-as, transmisi(girbox), atau penggantian as kick starter.
3. Belah Mesin
Belah Mesin,istilah ini biasanya ada di dunia balap motor.
Gunanya untuk mengetahui daleman motor sesuai aturan balap atau tidak. Biasanya
belah mesin dilakukan bagi pembalap yang juara 1 sampai 5
Langkah Kerja :
1. siapin alat-alatnya
* kunci-kunci standar seperlunya
* kunci-kunci khusus seperti; tracker magnit & tracker kopling
* bak ukuran kecil sebanyak 3pcs — > fungsinya buat tempat baut-baut yang
terpisah
antara mesin bagian tengah-kiri, bagian atas, dan bagian
tengah-kanan
* bak ukuran sedang sebanyak 4pcs — > fungsinya tempat komponen-komponen
mesin
yang terpisah yaitu komponen mesin kiri,atas,kanan dan
tengah
* bensin secukupnya buat nyuci komponen mesin
* lap secukupnya buat ngelap tangan kalo kotor, dan komponen mesin bila perlu
* balok kayu penyangga mesin kalo mesin udah diturunin
* kompresor, buat ngeringin komponen yang udah di bersihin pake bensin
* buku panduan
2. proses pembongkaran mesin saya sarankan secara berurutan
yaitu;
* mesin bagian kiri
o komponennya al; blok magnit, magnit, gear stater, rante stater
* mesin bagian atas
o komponennya al; rante keteng, head cylinder, rocker arm, cam shaft (noken
as), klep,
piston, blok
silinder
* mesin bagian kanan
o komponennya al; blok kopling, kopling primer (otomatis) 1 set, kopling
skunder (ganda) 1 set
* mesin bagian tengah
o komponennya al; gigi transmisi, kick stater, kruk as, stang seher
2. jangan lupa kumpulkan baut – baut dan komponen – komponen pada bak
yang berbeda
3.
sesuai dengan kelompok bagian mesinnya agar
pada saat pemasangan kembali tidak salah
4. setelah semua selesai di bongkar, maka lakukan pemeriksaan pada
setiap komponen
5.
secara berurutan pula sekaligus
bersihkan komponen yang diperiksa menggunakan bensin yang bersih, catat
komponen yang rusak dan pisahkan pada bak yang berbeda
5. lakukan perbaikan atau penggantian part yang rusak
6. beberapa item part yang wajib di ganti kalo Anda bongkar
mesin adalah ;
* gasket kit A ( paking top set )
* gasket kit B ( paking full set )
* oil seal selah
* oil seal operan / persnelling
* oil seal gear
* oli mesin 1 liter
7. pastika semua komponen mesin bersih, karena KEBERSIHAN
ADALAH FAKTOR PENTING dalam proses bongkar mesin,
8. lakukan proses perakitan secara berurutan pula tetapi
kebalikan dari proses pembongkaran yaitu dari tengah – kanan – atas – kiri
9. setelah semua mesin terpasang, jangan lupa isikan oli
sebanyak 1 liter
10. lakukan pemeriksaan kebocoran oli pada semua bagian
blok – blok mesin
Semoga bemanfaat.
Langkah-langkah menurunkan mesin :
1.Memastikan mesin dalam keadaan dingin
2.Mengeluarkan oli mesin Melepas oil di pstick. Melepas baut tap oli yang
terletak
disebelah kiri bawah mesin dengan
menggunakan kunci ring 17.
3.Mengeluarkan air radiator Memastikan air radiator dalam
keadaan dingin. Melepas 3
baut pengikat cover radiator
dengan menggunakan kunci sock 8 Melepas
lem penjepit
selang radiator yang berhubungan
dengan tabung reservoir dan membuka tutup radiator
Melepas baut tap
air radiator dengan menggunakan kunci sock 10
4.Melepas semua sambungan kabel sistem kelistrikan yang berhubungan dengan
mesin
•Melepas konektor 2P sensor ECT
•Melepas tutup busi
•Melepas konektor 2P alternator
•Melepas konektor 2P motor starter
•Melepas konektor kabel ignition pulse generator
•Melepas konektor 3 P SE thermal valve
•Melepas baut dan kabel masa
•Bebaskan kabel kabel (ignitionpulse generator , SE thermalvalve ,
motor starter) agar tidak mengganggu proses menurunkan mesin
5.Melepas panel lantai
•Melepas 3 buah sekerup
pengikat
•Bebaskan rear tabs side
cover dengan cara menarik bagian belakang side cover atas kemudian bebaskan 3
buah lower tab dibagian bawah dengan cara menarik side cover sebelah bawah
•Bebaskan front lower tabs
yang terletak dibawah sebelah depan dengan cara menarik side cover depan bawah
•Bebaskan 4 buah upper
hooks dan frot nupper tabs cover kebelakang
6.Melepas tutup bodi /
cover body
•Melepas grap rail
Pergunakan kunci kontak
untuk membuka sadel
Melepas2 buah baut pengikat
Melepas sadel
•Melepas front center body
cover
Melepas 2 buah sekerup di
rear side
Melepas 3 buah sekeru pdi
front side
Melepas 4 buah hooks dan 4
buah tabs front center body cover ke atas
•Melepas lug gage box
Melepas tutup radiator
reserve tank
Melepas 4 buah baut
Melepas 2 buah sekerup rear
side
Melepas sekerup di front
side
Melepas lug gage box
•Melepas body cover
Melepas sekerup
Melepas rear center body cover dengan menarik kebelakang dan bebaskan 2 buah hooks dari slot
Melepas seat lock cabel dari seat lock key cylinder dan holder
Melepas konektor kombinasi lampu belakang 6 P
Melepas sekerup front side
Melepas sekerup dari kedua pillion step
Melepas 4 buah sekerup di rear lower side
Melepas 2 buah baut pada upper rear side
Menarik front side body cover ke atas dan bebaskan 2 buah tabs dari slotnya –hati sambil ditarik kebelakang
7.Mengendorkan sekerup plat pengikat dan melepas sambungan pipa udara terhadap cover crankcase sebelah
kiri
8 .Melepas pipa karet karburator dari plat pengikat pipa udara
9.Melepas selang pernafasan mesin dari klem pengikatnya
10.Melepas selang SASS dari pipa pen-suplay udara SASS
11.Melepas mur penyetel rem belakang dan pin penghubung dari kabel rem
12.Melepas pegas pengembali dari lengan rem
•Lepaskan sebagai berikut :-Fuel hose-Fuel auto valve vacuum hose-PAIR
control valve vacuum hose
•Longgarkan lock nut (murpengunci) dan lepaskan throttle cable (kabel gas)
•Lepaskan throttle cable dari clamp.
•Lepaskan adjusting nut (mur penyetel) rem belakang dan joint pin (pin penyambung) dari brake cable (kabel rem)
•Lepaskan return spring (pegas pengembalian) dari brake arm (lengan rem).
•Lepaskan cable clamp bolt (baut klem kabel).
•Lepaskan rear brake cable dari cable Holder (pemegang kabel).
•Lepaskan baut-baut pemasangan Dan sok breker belakang.
•Dukung rangka dalam posisi tegak.
•Tahan roda depan.
•Lepaskan nut (mur) dan engine
hanger linkbolt (baut penghubung penggantung mesin).
•Tarik mesin sedikit lurus kebelakang
dan lepaskan engine hanger link dari rangka
•Putar bagian belakang mesin
ke kiri dan lepaskan mesin
•Lepaskan engine hanger
link
MEMBONGKAR BAGIAN ATAS :
A.1--CYLINDER HEAD
COVERCYLINDER HEAD COVER
•Lepaskan crankcase
breather hose.
•Lepaskan special bolts
(baut khusus),mounting rubbers dan cylinder head cover.
•Lepaskan rubber seal dari
cylinder headcover.
•Pemasangan kebalikan dari
caramembongkar
•Posisi tanda “UP”pada
seal menghadap keatas
•Torsi pengencangan baut 12
Nm.
A.2 – –CAM SHAFT
/ CYLINDER HEADCAM SHAFT / CYLINDER HEAD
•Putar crankshaft
berlawanan arah jarum jamdengan menjalankan kick starter perlahan-lahan dan
mentepatkan tanda “T”padaflywheel dengan tanda penunjuk padacrankcase kanan
•Pastikan bahwa piston
berada pada TMA (Titik Mati Atas) pada langkah kompressi.
•Posisi ini dapat diperoleh
dengan memastikan bahwa ada kelonggaran pada rocker arm.
•Jika tidak ada kelonggaran,
hal ini disebabkan oleh karena piston bergerak melalui TMA pada langkah
pembuangan.
•Putar crankshaft satu
putaran penuh dengan menggunakan kick starter dan menepatkan tanda “T”sekali
lagi.
•Lepaskan sekrup dan O-ring
dari cam chain tensioner lifter
•Pasang special tool pada
badan tensioner dan putar toolsearah jarum jam sampai ia berhenti berputar
•Tahan tensioner lifter
dengan menekan tool sementaramentepatkan tabs (tonjolan) dari tool dengan
alur-alurpada tensioner lifter
.•Lepaskan baut-baut cam
sprocket dari decompressorweight
.•Lepaskan susunan
decompressor weight.
•Ikat seutas kawat kepada
cam chain untuk menjaga agar tidak jatuh ke dalam crankcase
•Lepaskan cam sprocket dari
camshaft dan cam chain dari cam sprocket.
•Lepaskan baut-baut
cylinder head.
•Lepaskan mur-mur dan
washers dari camshaft holder dalam pola bersilang dalam dua atau tiga langkah
•Lepaskan camshaft holder
•Lepaskan dowel pins dari
cylinder head.
•Lepaskan cylinder head.
•Lepaskan gasket dan dowel
pins.
PISTON :
Cylinder dapat diservis
dengan mesinterpasang pada rangka.
Lepaskan cylinder head
Lepaskan kaitan dari clip
dan geserwater pipe (pipa air) ke dalam statorbase.
Lepaskan O-ring
.•Lepaskan cylinder.
•Lepaskan gasket dan dowel
pins.
•Bersihkan sisa-sisa bahan
gasket dari permukaan penyatuan cylinder pada crankcase
•Lepaskan piston pin clips
dengan tang
.•Dorong piston pin keluar
dari piston dan connecting rod, kemudian lepaskan piston
•Renggangkan masing-masing piston
ring dan keluarkan dengan mengangkatnya ke atas pada sebuah titik berlawanan
dengan celah pada ujung-ujungnya.
•Bersihkan endapan karbon
dari alur ring dengan sebuah ring bekas yang tidak dipakai lagi.
MEMBONGKAR KOMPONEN BAGIAN
KIRI :
A.1 – –CRANKCASE
COVER . L / KICK STSRTERCRANKCASE COVER . L / KICK STSRTER
A. KICK STARTER /A. KICK
STARTER /DRIVEDRIVE--DRIVEN PULLEY/CLUTCH DRIVEN PULLEY /CLUTCH
•Longgarkan band screw
(sekrup pitapenjepit) dan lepaskan air duct (saluranudara) dari left crankcase
cover (tutup kiribak mesin).
•Lepaskan crankcase
breather drain hose(slang pembuangan/pernapasan bak mesin)dari hose clamp (klem
slang).
•Lepaskan sebagai
berikut:-Baut-baut cover-Carburetor drain hose clamp-Crankcase breather drain
hose clamp-Rear brake cable clamp-Air vent hole cover
•Lepaskan left crankcase
cover bersamadengan air management cover.
•Lepaskan kedua dowel pins,
cover gasketdari left crankcase (bak mesin kiri)
•Bersihkan permukaan
penyatuan gasket.
•Lepaskan air management cover
•Naikkan lock tabs dari left crank case cover plate
dan lepaskan sekrup
•Lepaskan kick starter driven gea rsementara memutar
kickstarter spindle
•Lepaskan thrust washer.
•Sebelum melepaskan kick starter pedal,tandai pedal
dan spindle untuk penempatan posisi pemasangan yang tepat
.•Lepaskan baut dan pedal kick starter
•Lepaskan dust seal (sil debu) dari left crank case cover.
•Lepaskan snap ring dan
washer darikickstarter spindle.
•Lepaskan kaitan dari
return spring daripin pada crankcase cover.
•Lepaskan kickstarter
spindle danreturn spring.
•Lepaskan spindle bushing
dan collar
A.2 – –DRIVE PULLEYDRIVE PULLEY
Drive pulley dapat diservis dengan mesinterpasang pada rangka.
Lepaskan left crankcase cover
Tahan drive pulley face dengan special tooldan longgarkan drive pulley
face nut (mur muka drive pulley).
TOOL: Clutch center holder
Lepaskan mur, washer, dan drive pulleyface.
Geser drive belt keluar dari drive pulleyboss dengan menekan drive belt
Lepaskan movable drive face assembly sementara memegang
bagian belakang dari face (ramp plate) dan drive face boss.
Final Reduction :
•Final reduction dapat diservis dengan mesinterpasang pada rangka.
•Keluarkan oli final reduction
•Lepaskan sebagai berikut:
-Clutch/driven pulley
-Roda belakang
-Brake shoes (sepatu rem) belakang
•Lepaskan final reduction case breather hosedari final
reduction case hose joint.
•Lepaskan baut-baut dan final reduction case.
•Lepaskan dowel pins dan gasket
.•Lepaskan sebagai berikut:
-Counter gear
-Final gear shaft
-Counter shaft
MEMBONGKAR KOMPONEN BAGIAN
KANAN :
A.1 – Radiator Cover
•Lepaskan ketiga baut dan gerakkan radiator
cover ke depan.
•Lepaskan wire band boss dari radiator cover. 26
•Lepaskan radiator cover dari radiator
A.2 – Radiator
•Keluarkan coolant
•Lepaskan radiator cover
•Lepaskan siphon hose dan
water hoses (slang air) dari radiator.
•Lepaskan keempat
baut/washer pemasangan radiator, radiator top cover dan radiator.
•Pemasangan adalah dalam
urutan terbalik dari pelepasan.
•Isi dan buanglah udara
dari sistem pendinginan Setelah pemasangan, pastikan bahwa tidak ada kebocoran
coolant
A.3 – –COOLING FANCOOLING FAN
•Cooling fan (kipas pendingin) dapat diservis dengan mesin
terpasang dirangka
.•Lepaskan radiator
•Lepaskan ketiga baut dan cooling fan.
•Pemasangan adalah dalam urutan terbalik dari
pelepasan.
•TORSI: COOLING FAN BOLT : 8 N.m(0,8 kgf.m, 5,9
lbf.ft)
A.4 – –RADIATOR RESERVE TANKRADIATOR RESERVE
TANK
A. COOLING SYSTEMA. COOLING SYSTEM
•Lepaskan body cover
•Jepit siphon hose dengan menggunakan hose
clamp(klem slang).
•Lepaskan siphon hose dari radiator.
•Lepaskan hose clamp dan keluarkan coolant kedalam
panci penampung.
•Lepaskan reserve tank overflow hose.
•Lepaskan kedua baut dan reserve tank.
A.5 - Thermostat
•Keluarkan coolant
•Lepaskan radiator cover
•Lepaskan water hoses dari thermostat.
•Lepaskan kedua baut dan thermostat.
•Lepaskan O-ring.
A.6 – –WATER PUMPWATER PUMP
•Water pump (pompa air) dapat diservis dengan mesin terpasang pada
rangka.
•Keluarkan coolant
•Keluarkan oli mesin
•Lepaskan sebagai berikut:
•-Radiator -Cooling fan •-Thermostart -Right side cover
•Lepaskan kedua baut, wire guide (pembimbingkawat) dan
water pump cover.
•Lepaskan O-ring dari water pump cover.•Lepaskan dowel
pins.
•Lepaskan clip dari water pipe dan geser
water pipe ke sisi stator base
•Lepaskan sebagai berikut:
-Flywheel-Stator dan ignition pulse generator
-Woodruff key (spie)
•Lepaskan keempat baut dan water pump/stator base.
•Lepaskan oil pump driven gear.
•Lepaskan water pump drive gear/oil pump shaft dan
drive chain.
•Lepaskan water pump driven gear dari water pump
shaft.
•Lepaskan dowel pins.
B.1 – –FLYWHEEL / STATORFLYWHEEL / STATOR
A.
ALTERNATORB. ALTERNATOR
•Lepaskan sebagai berikut: -Body
cover -Radiator -Cooling fan-Thermostat
•Lepaskan baut-baut pemasangan dan rightside cover.
•Lepaskan kedua dowel pins.
•Tahan flywheel dengan special tool dan longgarkan flywheel
nut.
•TOOL: Universal holder
•Lepaskan flywheel nut dan washer.
•Lepaskan flywheel dengan menggunakanspecial tool.
•TOOL: Flywheel puller
•Lepaskan kawat alternator/ignition pulsegenerator
dari wire bands dan wire guides.
•Lepaskan baut, wire holder dan lepaskanwire grommet
dari crankcase kanan.
•Lepaskan kedua baut dan set plate dariignition pulse
generator.
•Lepaskan ketiga socket bolts pemasangan,stator dan
ignition pulse generator daristator base
•Lepaskan woodruff key (spie).
C.Pelumasan
C.1 – –POMPA OLI POMPA OLI
Ketika melepaskan oil pump, jangan membiarkan debu atau
kotoran memasuki mesin.
Lepaskan water pump/stator base (dasar pompa
air/stator)
Lepaskan kedua baut pemasangan dan oil pump.
MEMBONGKAR KOMPONEN BAGIAN TENGAH :
A.
Poros
Engkol
•Lepaskan kaitan dari center stand return spring(pegas
pengembalian standard tengah).
•Lepaskan cotter pin, washer, pivot shaft (porossumbu)
dan center stand
•Lepaskan baut, set plate, spring dan plunger dari
crank case kanan
•Lepaskan baut-baut crankcase dari crank case kanan.
•Tempatkan crankcase dengan crankcase kiri
menghadap ke bawah dan belah crankcase kiri dan kanan.
•Lepaskan dowel pins dari crankcase kiri.
•Angkat cam chain lepas dari timing sprocket pada
crankshaft seperti gambar di samping
•Pegang cam chain lepas timing sprocket danlepaskan
crankshaft dari crankcase kiridengan menggunakan case puller (penarikbak
mesin).
•Lepaskan cam chain.
•Lepaskan bantalan crankshaft kiri dengan menggunakan
special tool.
•TOOL: Universal bearing puller
•Lepaskan snap ring dan oil seal.
•Jika bantalan crankshaft kiri tertinggal di dalam
crankcase,lepaskan dari sisi kanan.
Sumber : http://smkn2bawangsonymotor.blogspot.com/2012/12/langkah-langkah-turun-mesin.html
Tips Bongkar Mesin motor tipe Bebek 4 tak
Tips Bongkar Mesin motor tipe Bebek 4 tak
Anda masih awam? Motor berisik nggakkaruan pengen tahu apa yang rusak! Kepingin dibongkar sendiri? jangansembarangan…!
sebab
klo asal coba-coba bisa berabe… ada yang bautnya pada ilang… ada
yangolinya berceceran, lupa masang komponennya… de el.. el..
nih gw kasih tips analisa mesin dengan membongkarnya sendiri.. ;
1. siapin alat-alatnya
- kunci-kunci standar seperlunya
- kunci-kunci khusus seperti; tracker magnit & tracker kopling
- nampan
kecil sebanyak 3pcs — > fungsinya buat tempat baut-baut yang
terpisah antara mesin bagian tengah-kiri, bagian atas, dan bagian
tengah-kanan
- nampan
ukuran sedang sebanyak 4pcs — > fungsinya tempat
komponen-komponen mesin yang terpisah yaitu komponen mesin
kiri,atas,kanan dan tengah
- bensin secukupnya buat nyuci komponen mesin
- lap secukupnya buat ngelap tangan kalo kotor, dan komponen mesin bila perlu
- balok kayu penyangga mesin kalo mesin udah diturunin
- kompresor, buat ngeringin komponen yang udah di bersihin pake bensin
- buku panduan (catalog mesin) yang nanti bisa di download dari blog ini secara gratis… tapi tunggu yach… sabar!
2. proses pembongkaran mesin sayasarankan secara berurutan yaitu;
- mesin bagian kiri
- komponennya al; blok magnit, magnit, gear stater, rante stater
- mesin bagian atas
- komponennya al; rante keteng, head cylinder, rocker arm, cam shaft (noken as), klep, piston, blok silinder
- mesin bagian kanan
- komponennya al; blok kopling, kopling primer (otomatis) 1 set, kopling skunder (ganda) 1 set
- mesin bagian tengah
- komponennya al; gigi transmisi, kick stater, kruk as, stang seher
3. jangan lupa kumpulkan baut – bautdan komponen – komponen pada bak yangberbeda sesuai dengan kelompok bagian mesinnya agar pada saat pemasangankembali tidak salah
4. setelah semua selesai di bongkar,maka lakukan pemeriksaan pada setiap komponen secara berurutan
pula sekaligus bersihkan komponen yang diperiksamenggunakan bensin yang
bersih, catat komponen yang rusak dan pisahkan pada bakyang berbeda
5. lakukan perbaikan ataupenggantian part yang rusak
6. beberapa item part yang wajib diganti kalo Anda bongkar mesin adalah ;
- gasket kit A ( paking top set )
- gasket kit B ( paking full set )
- oil seal selah
- oil seal operan / persnelling
- oil seal gear
- oli mesin 1 liter
7. pastika semua komponen mesinbersih, karena KEBERSIHAN ADALAH FAKTORPENTING dalam proses bongkar mesin,
8. lakukan proses perakitan secara berurutan pula tetapi kebalikan dari prosespembongkaran yaitu dari tengah – kanan – atas – kiri
9. setelah semua mesin terpasang,jangan lupa isikan oli sebanyak 1 liter
10. lakukan pemeriksaan kebocoranoli pada seua bagian blok – blok mesin
11. nggak ada yang bocor! Beresdech…!
Klo
begini ongkos bongkar pasangmesin GRATIS! Karena kita sendiri yang
ngerjain, klo di kerjakan di bengkel resmi/ bengkel umum kisaran
harganya ; Rp. 150.000,-
Tapi inget, harus optimis dahulusebelum mencoba jagan ragu-ragu…
Bongkar Mesin MegaPro

Asslamu’alaikum wR wB
Salam sejahtera buat kita semua, semoga kita semua selamat di perjalanan sampai ke tujuan.
Menuntaskan artikel bongkar mesin megapro, kali kita telah sampai
pada langkah terakhir yaitu membelah crankcase/bak mesin. Langkah ini
sangat jarang dilakukan untuk penggunaan harian standar, karena minim
kerusakan. Kerusakan yang terjadi pada komponen2/part dalam crankcase
lebih disebabkan oleh pengunaan yang tidak semestinya, misalnya :
- Telat ganti oli, biasanya stang seher / connecting rod yang kena juga laher bandul, biasanya keduanya jadi oblag
- Upgrade performa yang ekstrim, sehingga stang seher patah
- Upgrade transmisi untuk keperluan road race atau drag race
- Per kick-starter patah, biasanya setelah turun mesin, salah pasang
- Gigi transmisi rompal, mungkin karena engine brake yang berlebihan
- Bandul/crankshaft oleng, sama dengan no 2 atau akibat penggunaan race.
Jadi jika mengalami salah satu saja kejadian di atas, terpaksa harus
turun mesin dan belah crankcase. Berikut langkah2 pembelahan crankcase.
1. Lepas baut pengikat crankcase di bagian kanan

2. Lepas semua baut di bagian kiri, kemudian tidurkan dengan bagian kanan di bawah

3. Belah crankcase dengan alat khusus, kalau tidak ada bisa
menggunakan obeng minus sebagai pengungkit, palu kecil untuk mengetuk
pelan dan kayu sebagai perantara agar komponen tidk cacat karena ketukan
palu.

4. Dan inilah isi dari crankcase/bak mesin

5. Tromol pemindah bisa dicopot, dengan cara melepas dulu poros2
garpu pemindah/shift-fork, kemudian lepas shift-fork nya, dan tromol
pemindah/shift-drum bisa dicopot. Kemudian jika ingin mencopot gigi
transmisi, sebaiknya berbarengan antara main shaft dan counter shaft.

Posisi dari gigi transmisi beserta ring2-nya

6. Selanjutnya bandul bisa dicabut pelan, dengan gerakan lurus
terhadap poros bandul. Kalau bandul mau di cek keolengannya bisa
mencontoh cara ini. Letakkan bagian poros bandul pada pangkon/stand
berbentuk “V”, pasang dial-gauge di ujung2 poros, kemudian putar stang
seher pelan2 sambil mengamati gerakan jarum dial-guage.

Bandingkan nilai keolengan dengan batas/toleransi maksimum yang
tercantum di manual service. Jika sudah melebihi batas, bawa banduk ke
tukang bubut untuk mem-balance ulang. Jika laher2 dah aus, sekalian saja
diganti.
7. Jika tidak ada masalah dengan poros kickstarter, jangan disentuh.
Jika ingin membongkarnya perhatikan langkah2 berikut ; Lepas baut
stopper, tangan stopper di poros tahan dengan menggunakan obeng, hati2.

Lepaskan kaitan pegasnya di crankcase

Dan inilah penampakan poros kickstarter.

Kalau mau ngganti pegas yang patah, tinggal copot collarnya, copot
kaitan pegas ke poros (ada lubang nya). Kemudian ganti dengan pegas baru
dengan langkah sebaliknya.
Pengenalan Awal dan Persiapan
Assalamu’alaikum wR wB
Salam sejahtera buat kita semua, semoga kita semua selamat di perjalanan sampai ke tujuan.
Belum selesai bongkar Pulsar 180 UG4, ketika sampai pada pembongkaran
bak kopling dan bak magnetnya, kok malah teringat dengan pengalaman
membongkar engine/mesin honda mega pro 160cc (mega pro primus), karena
isi mesinnya mirip banget. Berbekal dengan pengalaman lama ditambah
dengan beberapa literatur, ane coba tuliskan pengalaman ane tersebut
dalam beberapa artikel tahap pembongkaran mesin mega pro. Tahapnya ada
6, yaitu
- Mencopot semua yang menenpel di mesin
- Membongkar bak kopling
- Membongkar bak magnet/alternator
- Menurunkan Mesin
- Membongkar head dan silinder
- Membongkar blok mesin /crankcase.
Sebelum melakukan pembongkaran sebaiknya dipersiapkan dulu, komponen2 yang mau diganti/dimodif, alat2/tools dan bahan.
Biasanya yang dipersiapkan adalah
- Tempat dan waktu, jelas harus diluangkan, karena bisa berlangsung
lama. Apalagi bagi yang baru coba2 (jangan takut mencoba, semuanya pasti
ada jalan untuk “bisa”, jika mau usaha)
- Motornya harus ada, ya jelaslah.
- Part yang harus disediakan, sil2 (untuk kick starter, gir, dan
versneling), packing-gasket (bak kopling, bak magnet, blok dll),
sealent, oli baru, greese/stempet, bensin, sabun colek, serbet/kain-lap,
tisu
- Kamera/hp, untuk memotret setiap tahap, agar bisa digunakan untuk
membantu saat pemasangan kembali. Bisa juga di-upload sebagai artikel
- Alat2/tools terdiri dari palu besi, palu karet, kunci sok
(8,10,12,14,17 dan 19), kunci pas, obeng + dan – (kecil dan besar),
obeng ketok, tang untuk membuka snap-ring, treker khusus lock-nut,
treker magnet, dll.
Sebagai gambaran awal, bagian2 inilah yang akan kita bongkar

Melepas
semua bagian yang melekat di mesin, seperti karbu, knalpot, footstep,
kabel kopling, kabel speedometer, kick starter, cop busi, soket
alternator, gir dan rante, pedal versneling. Masih ada yang kurang nggak
bro?

Bak kopling dan isinya

Bak magnet dan isinya

Menurunkan mesin

Head cylinder dan isinya

Cylinder /bore dan piston

Blok mesin/crankcase dan isinya (bandul/crankshaft dan gir rasio transmisi).
Lumayan banyak, ya bro. Akan tetapi nggak perlu berkecil hati melihat
banyaknya komponen2 tersebut. Nanti kalau sudah dipegang tangan gampang
hapalnya. Ente semua lama2 bisa hapal semua komponen, seperti halnya
mekanik handal. Mau tau ente sudah hapal apa belum ???…… Kalau sempat
dipraktekkan ya, apa yang harus dilakukan saat mekanaik mau lulus ujian
untuk satu motor (silahkan tanya sama mekanik yang pernah kursus
mekanik).
Tahapannya kira2 begini :
- Calon mekanik diperintahkan untuk membongkar total sebuah mesin utuh
sampai bercerai berai. Komponen yang paling kecil juga ikut dibongkar
- Semua komponen diaduk dalam wadah besar, dikocok2
- Kemudian calon mekanik diperintahkan untuk merakit ulang, sampai komponen di wadah habis, tidak boleh ada yang tertinggal
- Motor dinyalakan, bila berhasil, maka calon mekanik lulus untuk motor tersebut. Kemudian pindah ke motor lainnya.
Sampai disini tahap pengenalan dan persiapan membongkar mesin
megapro. Mungkin tahap2, teknik dan tip yang dilakukan bisa
diaplikasikan untuk membongkar motor2 lain dengan basis mesin yang
mirip, misalnya honda gl series (100, 125, 200/tiger, new mega pro) ,
yamaha scorpio, byson, kawasaki binter mercy, klx 150, suzuki thunder
125, pulsar series (100, 125, 135, 180, 200, 220) dan lain2.
Mohon maaf jika ada kesalahan dan kekurangan, kepada suhu2 yang lebih
ahli dan lebih kompeten mohon koreksi dan masukannya. Semoga bermanfaat
wassalamu’alaikum wR wB.
Copot Semua Yang Terhubung ke Mesin
Assalamu’alaikum wR wB
Salam sejahtera buat kita semua, semoga kita semua selamat di perjalanan, sampai ke tujuan.
Seperti yang telah dirinci tahapan2 pembongkaran mesin megapro pada
artikel sebelumnya,
maka tahap pertama yang harus kita lakukan adalah melepas semua
komponen yang melekat di sisi luar mesin juga beberapa yang dari dalam.
Mari kita mulai mencopot komponen2 tersebut.
1. Kosongkan oli dalam mesin, kalau sudah waktunya ganti ya sekalian
dibuang, tapi jangan sembarangan karena bisa mencemari lingkungan.
Sebaiknya ditampung diwadah bekas oli sebelumnya, mungkin suatu saat
bisa berguna, buat kita juga orang lain. Misalnya untuk meng-oli kayu2
untuk internit dan genteng, supaya lebih tahan terhadapa kuman bubuk dan
kumbang. Kalau masih bagus, sebelum baut tap dibuka, daerah sekitar
baut tap dibersihkan dari tanah dan debu, agar tidak masuk ke oli saat
ditap. Langkah ini hampir sama ketika kita ingin mengganti sendiri oli
di rumah.

2.
Copot knalpot dengan melepas semua mur dan baut yang ada di mesin (2
buah) dan di footstep belakang. Kendorkan dulu mur yang ada di mesin,
jangan dilepas, lepas mur-baut yang ada di foostep sambil knalpot
ditahan supaya tidak jatuh ke lantai. Sambil ditahan lepas mur di mesin,
hal ini penting dilakukan karena biasanya knalpot motor sport berat,
sehingga dapat menghindari kerusakan drat di baut juga knalpotnya.
Langkah ini sama ketika kita ingin mengganti knalpot variasi atau high
performance.

3. Copot karburator, dengan mengendorkan cincin pengunci di hose
filter dan melepas 2 baut ke mesin. Tapi sebelumnya bisa dilakukan
beberapa langkah lain yaitu
- Menutup kran bensin (OFF) kemudian mencopotnya dengan lebih dahulu menggeser cincin penjepit menggunakan tang kecil.

- Lepas tutup karbu

- Lepas tutup filter udara, kemudian buka sekrup tutup tersebut,
kendorkan cicin penjepit sengan menggunakan obeng +, memudian copot dari
karbu. Langkah ini sama ketika kita ingin membersihkan filter udara.

- Jika sekalian ingin menservis karbu, lepas kepala karbu dengan memutar kepala karbu ke kiri

- Lepas kabel pompa akselerasi, dengan mengendorkan mur pengunci terlebih dahulu

- Lepas mur pengikat karbu ke mesin dan copot karbu dari mesin,
langkah ini sama ketika kita ingin mengganti dengan karbu lain karena
tuntutan modifikasi mesin.

4. Copot kabel rpm/tachometer, dengan melepas baut pengunci terlebih dahulu, awas bautnya hilang/ketlisut !

5. Copot kabel kopling dengan mengendorkan mur setelan dan mur pengunci

6. Lepas footstep depan dengan melepas 4 baut di bawah mesin

7. Lepas pedal kickstarter, dengan melepas baut penguncinya

8. Copot konektor ke bak magnet

9. Copot pedal versneleng, dengan melepas baut penguncinya

10. Copot tutup gir depan dengan melepas 2 baut ukuran 8. Kemudian
copot gir depan denga melepas dua baut dan plat pengunci/pemasangan
nya, tahan ban belakang dengan menberi pengganjal. Ini juga merupakan
salah satu langkah ketika kita ingin mengganti sproket set lengkap
(rantai, gir depan dan gir belakang).

11. Lepas lengan footstep belakang bagian kiri, jika dianggap merepotkan.

Apa ada yang masih kurang bro ??? …Kemudian bisa lanjut ke tahap selanjutnya, yaitu
membongkar bak kopling.
Demikan langkah pelepasan part2 yang melekat di mesin sebelum mesin
dibongkar. Mohon maaf kalau ada salah dan kurangnya, semoga bermanfaat.
Wassalamu’alaikum wR wB.
Bongkar Bak Kopling

Assalamu’alaikum wR wB
Salam sejahtera buat kita semua, semoga kita semua selamat di perjalanan sampai ke tujuan.
Setelah menyelesaikan
tahap sebelumnya,
yaitu mencopot semua part yang melekat di mesin, kita lanjutkan untuk
membongkar bak kopling. Seperti terlihat di gambar bagian atas bagian
bak kopling beserta isinya termasuk banyak, jadi kita harus
mempersiapkan kunci2 yang dibutuhkan dan wadah khusus untuk baut dan
mur, agar tidak “ketlisut”.
Mari kita mulai membongkar bak kopling, dengan beberapa tahapan yaitu :
1. Lepas semua baut pengunci bak kopling, kemudian copot bak dengan
menarik keluar. Kalau sulit (lama tidak dibuka), diperlukan pengungkit
pada cupingan2 yang sudah disediakan. Ungkit pelan2 dan hati2, jangan
sampai cupingannya pecah.

Penampakan
bak kopling dari sisi dalam, biasanya yang sulit terlepas adalah pada
bagian pin dowel. Gasket biasanya rusak, sedikit atau banyak, karena itu
siapkan sealant atau gasket baru.

2. Lepaskan 3 baut tutup filter sentrifugal, kemudian copot tutupnya. Bandingkan dengan
isi bak kopling pulsar 180 ug4, mirip kan ?

3. Jika diperlukan, pompa oli juga bisa dilepas, dengan melepas 2
buah baut menggunakan obeng +. Jika sulit gunakan obeng ketok (impact
driver) secara hati2.

4. Lepas lock nut (mur pengunci) di dalam filter sentrifugal dengan
menggunakan treker khusus (kunci mahkota), putar ke-kiri untuk membuka.
Beri penahan antar gir reduksi primer dengan sesuatu yang kuat tapi
tidak membuat gir cacat. Kalau dibengkel besar ada alat khus (gear
holder), berbentuk potongan gir/besi kecil.

Copot rotor saringan oli sentrifugal, hati2 jangan sampai ring/washer pengunci hilang.

5. Lepas plat penekan/pengungkit kopling beserta per kopling dengan
melepas 4 buah baut, minimal dalam 3 tahapan pengendoran. Langkah ini
sama jika kita hanya ingin mengganti per kopling yang lebih kenyal,
tanpa harus melewati langkah 2-4.

6. Lepas lock-nut pengunci rumah kopling dengan menggunakan kunci sok
mahkota, sama seperti saat melepas lock-nut di filter sentrifugal

Penampakan
setelah kampas-palt kopling dicopot, sampai langkah ini bisa digunakan
ketika kita ingin mengganti kampas kopling aftermarket yang lebih baik
dari std.

Penampakan setelah rumah kopling dicopot

7. Tarik sampai copot poros spindel pemindah gigi keluar

8. Lepaskan bubungan (bintang) pemindah gigi (terhubung dengan shift drum dalam crankcase), dengan melepas baut penunci.

Penampakannya setelah dilepas

Apa ada yang masih kurang bro ???
Demikan langkah pembongkaran bak kopling dan isinya. Mohon maaf kalau
ada salah dan kurangnya, bagi suhu2 yang lebih ahli dan lebih kompeten
mohon koreksi dan masukannya. Semoga bermanfaat. Wassalamu’alaikum wR
wB.
Bongkar Bak Magnet/Alternator

Assalamu’alaikum wR wB
Salam sejahtera buat kita semua, semoga kita semua selamat di perjalanan sampaik ke tujuan.
Melengkapi literatur bongkar2 mesin megapro sebelumnya [
1,
2,
3], kita lanjutkan membongkar bak magnet beserta isinya. Berikut langkah2nya :
1. Lepas bak megnet, dengan melepas semua baut pengunci dengan
menggunakan kunci sok 8. Perhatikan ada baut yang panjang dan ada yang
pendek, saat memasang kembali jangan sampai tertukar, crankcase bisa
jebol.

Dan inilah penampakan tutup bak magnet bagian dalam

Biasanya pada bagian inilah (spul/stator) dilakukan modifikasi untuk merubah pengisian dari half wave menjadi full wave.
2. Mengendorkan mut pengunci magnet, dengan menggunakan alat batu magnet holder

Jika
tidak ada magnet holder, bisa menggunakan stud/baut panjang untuk
menggajal. Tentukan bagian mesin/motor yang kuat menahan baut tersebut
(misalnya footstep atau as swing arm), tahan pada bagian magnet yang
menonjol, pulser.

[Sumber :
auto-champion.blogspot.com]
3. Copot magnet dengan menggunakan treker/puller magnet yang cocok (drat-nya beda2 antar motor)

Kalo mau irit mending pake treker/puller universal kaki 2 atau kaki 3.

4. Jangan sampai terlewat dengan menyimpan spie magnet, karena
bentuknya kecil jadi rawan hilang. Letakkan saja di magnet biarkan
menempel nempel.

Nah sampai langkah ini, rante mesin/kamprat sudah kelihatan. Jadi
bongkar bak magnet dan isinya juga merupakan salah satu langkah dalam
mengganti rante kamprat, selain membongkar head.
Semoga bermanfaat, wassalamu’alaikum wR wB.
Menurunkan Mesin
Assalamu’alaikum wR wB
Salam sejahtera buat kita semua, semoga kita semua selamat di perjalanan sampai ke tujuan.
Setelah semua yang menempel dimesin dicopot [1],
kemudian bagian kiri, magnet [2] dan kanan, kopling [3] juga kita copot
(untuk meringankan), maka tiba waktunya kita melepas mesin/engine dari
sasisnya. Bagi yang tidak mempunyai mesin kerek/crane, menurunkan mesin
dengan bobot yang cukup berat merupakan suatu masalah tersendiri. Jika
salah posisi, otot pinggang, punggung dan pundak bisa “kecetit” keseleo.
Sebelum mulai melepaskan mur-baut
pengikat mesin ke sasis, ada baiknya diperhatikan lagi apakah masih ada
bagian2 yang menempel di mesin yang nantinya akan menghalangi proses
penurunan mesin dari sasis. Kemudian kita kendorkan baut2 di
mesin/crankcase dan head silinder, mumpung mesin masih di pegang sasis,
karena kalo sudah lepas akan lebih susah. Setelah itu baru kita lepas
mur-baut pengikat mesin ke sasis, berikut urutan2nya versi motogokil :
- Perhatikan gambar di atas (judul artikel), yang dilepas pertama adalah mur-baut + braket pengikat depan, bagian-A
- Kemudian lanjutkan lepaskan mur-baut + braket pengikat atas, bagian-B
- Selanjutnya gunakan pangkon mesin,
“dengklik” khusus untuk menopang mesin. Hal ini bisa dilakukan karena
model ikanta sasis ke mesin model gantung, kalau model gendong (pulsar
180-200-220) tidak bisa.
- Kemudian lepas mur-baut C dan D
- Selanjutnya baru lepas mesin dengan hanya menggeser dengklik ke depan dan ke samping.
Contoh dingklik, bisa buat duduk juga bisa buat engine stand
Bentuk engine stand yang baik
Semoga bermanfaat, wassalamu’alaikum wR wB
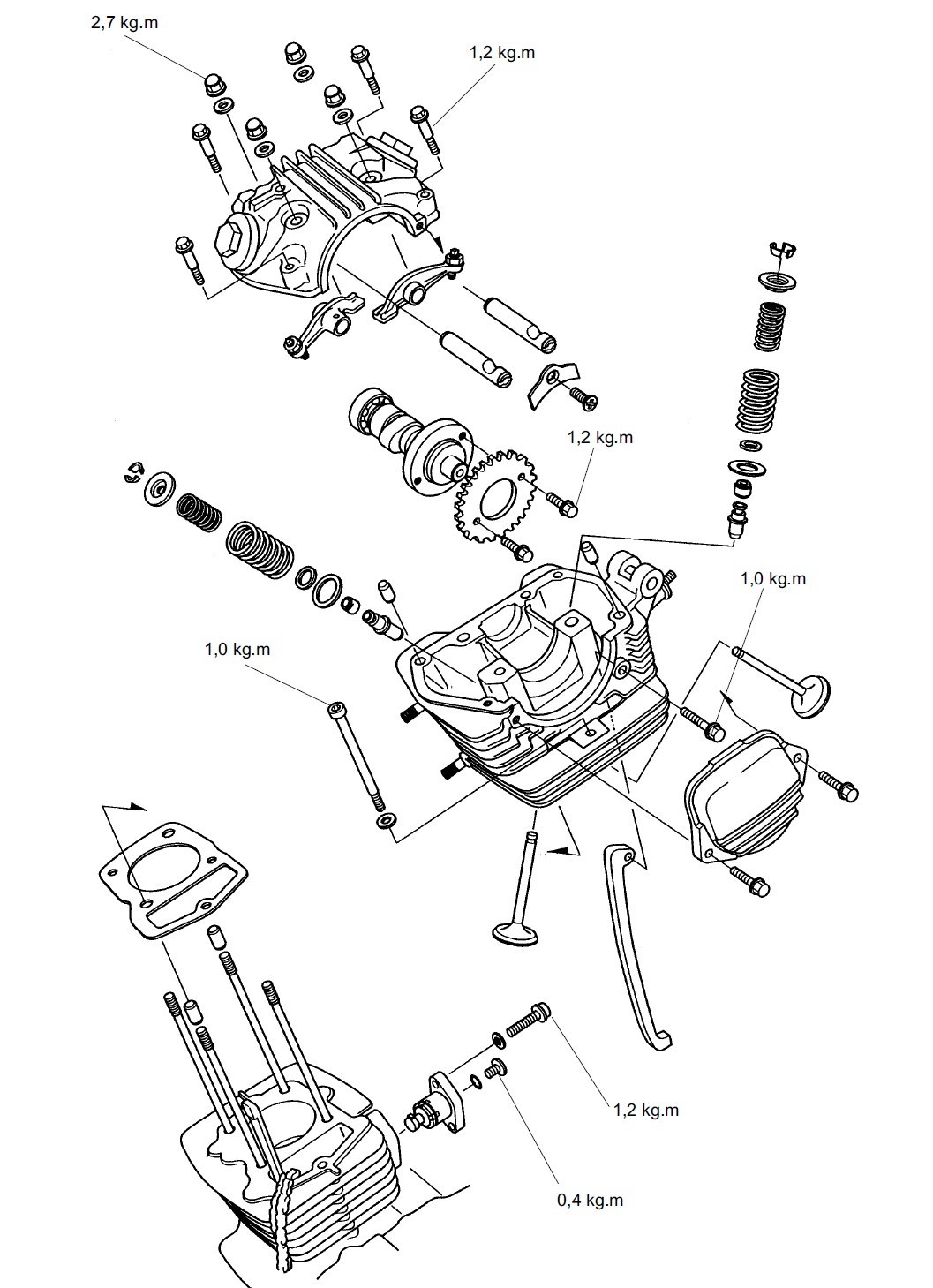
Bongkar Head dan Silinder

Assalamu’alaikum wR wB
Salam sejahtera buat kita semua, semoga kita semua selamat di perjalanan sampai ke tujuan
Setalah beberapa tahap pembongkaran mesin megapro kita lakukan, mulai dari
mencopot bagian2 yang menempel di mesin, mem
bongkar bak kopling, mem
bongkar bak magnet sampai
menurunkan mesin,
maka sampailah kita pada tahap pembongkaran head/kepala dan silinder
beserta isinya. Langkah2 pembongkaran head adalah sebagai berikut
A. Melepas tensioner/penegang rantai mesin/kamprat. Pada langkah ini
kita bisa memeriksa kemampuan pegas tensioner, apakah mampu mendorong
stud-nya dengan baik atau sudah melemah.

B. Melepas 4 baut pengikat tutup head dan 4 mur tusuk sate. Hati2
pada 4 mur tusuk sate terdapat ring tembaga yang berfunsi sebagai sil
agar oli mesin tidak rembes ke luar. Kemudian dilanjutkan dengan
mencopot tutup/cover head, di tutup head tersebut terdapat rocker arm,
dan bisa diperiksa apakah sudah mengalami aus yang berlebihan atau masih
dalam batas toleransi.

C. Karena tensioner sebelumnya sudah di lepas, maka kamprat sekarang
jadi kendor, dan noken-as bisa dicopot. Pada langkah ini nokenas bisa
diganti dengan versi racing, jika diperlukan. Carannya dengan menjepit
bubungan dengan menggunakan catok/ragum, kemudian 2 baut pengikat girnya
di lepas. Pada langkah ini juga, dilengkapi dengan langkah mem
bongkar bak magnet, kita bisa mengganti rantai mesin/kamprat.

D. Melepas baut pengikat head dengan silinder, setelah itu head bisa
langsung dicopot. Setelah head dicopot kita dapat memeriksa kondisi klep
dan kubah ruang bakar. Jika ingin memeriksa apakah klep bocor apa
tidak, tinggal memberi bensin (busi tetap terpasang) kemudian dari port
in atau ex di semprot udara dari kompresor, jika keluar gelembung2 udara
berarti klep bocor, dan sudah waktunya di-skur ulang.

Jika ingin melepas klep ada alat khusus untuk melepas kuku2
penguncinya. Jika tidak ada bisa menggunakan kunci sok (bentuk Y) ukuran
14 yang ditekan ke retainer-nya sementara payung klepnya diganjal
dengan menggunakan baut yang terbungkus kain.

Kalau sudah lepas kuku2 penguncinya, klep bisa dicopot. Hati2 jika
kepala klep sudah “peyang” akibat terhantam rocker-arm, maka harus
dikikir sedikit, agar tidak menciderai bos-klep nya.
Untuk reparasi klep bisa panjang ceritanya, kita lajutkan saja ke pembongkaran silinder, langkah2nya adalah

A. Tarik ke atas sampai copot silinder perlahan2, jika sulit karena
silnya kelet, sedikit dicongkel dengan menggunakan obeng minus yang
besar. Perhatikan dinding silinder, jika nggentong, atau terdapat baret
yang dalam, maka sekalian saja dilakukan oversize.

B. Copor kawat cir-clip pengganjal pin piston dengan menggunakan tang lancip.

C. Kemudian pin/pen piston didorong keluar dengan jari dari arah yang
lain. Jika sulit, berarti alur cir-clip sudah melebar/lower sehingga
memperkecil diameter lubang pin piston. Paksa saja dengan cara
mengganjal bagian lubang tempat keluarnya dan mendorong di lubang yang
lain dengan menggunakan kunci sok 10 atau 12, dibantu ketukan lembut
palu kecil. Dan langkah ini juga dilakukan saat kita ingin mengganti
piston, ring-piston atau oversize.
Sumber : http://motogokil.com/2014/02/15/diy-bongkar-mesin-megapro-belah-crankcaseblok-mesin-bagian-6-habis/